Saturday, June 26, 2021
Mahasiswa Magang BPTI dari Fakultas Teknik UHAMKA Lolos Tahap Seleksi Program Bangkit IT
Wednesday, June 23, 2021
Counter
Counter adalah rangkaian logika sekuensial yang di bentuk dari flip-flop )
Mencacah dapat diartikan menghitung, hampir semua sistem logika menerapkan pencacah. Komputer digit menerapkan pencacah guna mengemudikan urutan dan pelaksanaan langkah – langkah dalam program. Fungsi dasar pencacah adalah untuk “mengingat” berapa banyak pulsa detak yang telah dimasukkan kepada masukkan; sehingga pengertian paling dasar pencacah adalah sistem memori.
Karakteristik Penting Counter/Pencacah
- Sampai berapa banyak ia dapat mencacah (modulo pencacah);
- Mencacah maju, ataukah mencacah mundur;
- Kerjanya sinkron atau tak sinkron;
Kegunaan Counter/Pencacah
- Menghitung banyaknya detak pulsa dalam satu periode waktu
- Membagi frekuensi
- Pengurutan alamat
- Beberapa rangkaian aritmatika.
Jenis Counter/Pencacah
Pencacah Asinkron
• Seringkali disebut ripple counter.
• Istilah asinkron merujuk pada kejadian-kejadian yang tidak mempunyai hubungan waktu yang tetap antara FF satu dengan FF lainnya.
• Flip-flop tidak mendapatkan pulsa clock dari satu sumber yang sama.
• Flip-flop pertama (LSB) mendapatkan pulsa clock dari sumber clock eksternal, sedangkan flip-flop berikutnya mendapatkan pulsa clock dari output flip-flop sebelumnya.
Pencacah Asinkron Biner 2-bit (1)
• Dibangun dari dua buah flip-flop JK.
• Flip-flop pertama mendapatkan pulsa clock dari sumber clock, sedangkan flip-flop kedua mendapatkan pulsa clock dari output FF pertama. fQ0=fCLK/2; fQ1=fQ0/2.
• Diagram logika pencacah asinkron biner 2-bit.
Pencacah Asinkron Biner 2-bit (2)

Diagram pewaktuan counter asinkron biner 2-bit
Tabel urutan keadaan pencacah
Pencacah asinkron biner 3-bit (1)
- Dibangun dari 3 buah flip-flop JK.
- Flip-flop pertama mendapatkan pulsa clock dari sumber clock, FF kedua mendapatkan pulsa clock dari output FF pertama dan FF ketiga mendapatkan pulsa clock dari output FF kedua.
- fQ0=fCLK/2; fQ1=fQ0/2; fQ2=fQ1/2
Pencacah asinkron biner 3-bit (2)
Diagram logika dan diagram pewaktuan pencacah asinkron biner 3-bit
Pencacah asinkron biner 3-bit (3)
Tabel urutan biner dari pencacah
Pencacah sinkron
- Istilah sinkron merujuk pada kejadian yang mempunyai hubungan waktu pasti antar flip-flop yang dengan lainnya.
- Dalam pencacah, istilah sinkron berarti bahwa setiap FF mendapatkan pulsa clock dari satu sumber clock yang sama.
Pencacah sinkron biner 2-bit (1)

Pencacah sinkron biner 3-bit (1)
Pencacah sinkron biner 3-bit (2)
Tabel kondisi output pencacah
Struktur Internal IC 7493
Up Counter
Down Counter
Up/Down Counter

PRESETTABLE COUNTERS
Can be preset to any desired count. To operate:
1. Apply desired count to parallel data inputs P2, P1, P0.
2. Apply a low pulse to the parallel load input PL.
BCD COUNTER
• Binary counter that counts from 0000 to 1001 before it recycles (MOD-10).
Johnson Counter
Shift register in which the inverted output of the last FF is fed back to the input of the first FF.
Johnson Counter
Ring Counter
Shift register counter with feedback from Q of last FF back to first FF input
Ring Counter
COUNTER TYPES
Asynchr.k.a. Ripple or Serial Counter):each FF is triggered one at a time with onous Counter (aoutput of one FF serving as clock input of next FF in the chain.
Synchronous Counter (a.k.a. Parallel Counter): all the FF’s in the counter are clocked at the same time.
Up Counter: counter counts from zero to a maximum count.
Down Counter: counter counts from a maximum count down to zero.
BCD Counter: counter counts from 0000 to 1001 before it recycles.
Ring Counter: shift register in which the output of the last FF is connected back to the input of the first FF.
Pre-settable Counter: counter that can be preset to any starting count either synchronously or asynchronously
Johnson Counter: shift register in which the inverted output of the last FF is connected to the input of the first FF.
sumber : https://onlinelearning.uhamka.ac.id/
Saturday, June 19, 2021
Aplikasi OLU Membuat Kuliah Online Menjadi Lebih Efektif dan Efisien
OLU
Online Learning Uhamka
Dimasa Pandemi seperti ini semua sekolah ditutup sementara guna membantu pemerintah dalam penanganan Covid-19,anak-anak dan juga mahasiswa harus beradaptasi dengan situasi seperti ini.Sejak adanya wabah virus COVID-19 perkulihan dilakukan secara daring atau perkuliahan jarak jauh. Termasuk mahasiswa perguruan tinggi UHAMKA yang merasakan perkuliahan secara daring. Dan tentunya tidak mudah mengikuti kuliah secara daring, karena banyak hak yang harus disesuaikan. Tetapi dengan adanya aplikasi Online Learning UHAMKA (OLU) kegiatan perkuliahan yang lebih mudah dan juga dapat diakses dimanapun kita berada dengan seperti itu kita bisa mengikuti perkuliahan dimanapun kita berada.
Dengan menggunakan aplikasi OLU mahasiswa dan dosen jadi lebih efisien dan efektif dalam hal pembelajarannya. Aplikasi OLU sangat membantu dalam belajar karena terdapat rekam jejak materinya dan dapat diputar atau dilihat kembali jika ada mahasiswa yang ingin menyimak kembali. Tentunya kamu bertanya-tanya apa sih OLU itu? Online Learning UHAMKA (OLU) merupakan aplikasi yang dibuat untuk menunjang pembelajaran di UHAMKA.
Aplikasi ini untuk memudahkan mahasiswa dan dosen karena di dalamnya sudah terintegrasi dengan data mahasiswa dan dosen serta mata kuliah bersangkutan. Dan menu didalamnya pun bervariasi sehingga dapat memilih menu yang sesuai dengan kebutuhannya. Aplikasi OLU ini dirilis dan mulai disosialisasikan pada tahun 2020 bulan Januari sebelum adanya pandemic COVID-19. Ketua Lembaga Pengembangan Pendidikan dan Pengajaran (LP3) UHAMKA, Tri Wintolo Apoko mengemukakan sejak Januari 2020, beberap[a dosen sudah diperkenalkan aplikasi OLU.
Aplikasi OLU pada saat pandemic COVID-19, LP3 mengadakan sosialisasi secara berkelanjutan kepada dosen-dosen di lingkungan UHAMKA agar semua dosen dapat menggunakan OLU dengan mudah. Dan hal ini dilakukan kerja sama dengan berbagai pihak, diantaranya Badan Pengembangan Teknologi Informasi (BPTI) UHAMKA sebagai pihak yang menfasilitasi decara langsung aplikasi OLU tersebut.
Kehadiran OLU sangat membantu, hanya dengan mengakses internet sudah bisa mengikuti perkuliahan dan berinteraksi dengan dosen secara otomatis karena akan dipertemukan dalam satu mata kuliah bersama mahasiswa lainnya dan dosen di kelas yang sama. Dengan memanfaatkan internet dan teknologi, OLU dianggap sebagai solusi dalam menjalankan proses perkuliahan yang selama ini dianggap sangat memakan waktu kuota internet, jika dilakukan menggunakan media aplikasi seperti Zoom, Google meet atau lainnya.
Sebagai salah satu Universitas Islam terbaik di DKI Jakarta, UHAMKA terus berinovasi mengikuti perkembangan zaman. Karena pada masa sekarang ini para pelaku pendidikan dituntut untuk dapat menguasai digital dalam proses perkuliahan. Untuk meningkatkan kualitas pendidikan UHAMKA dengan mengadakan sosialisasi. Perkuliahan bersama dosen dilakukan secara daring dengan zoom meeting. Dalam kegiatan ini para dosen UHAMKA dituntut agar dapat menguasai teknologi digital untuk proses pembelajaran.
Dengan seperti ini mahasiswa Uhamka tidak perlu risau karena dengan adanya aplikasi OLU bisa membantu kita dalam pembelajaran secara online dan juga materi yang ada bisa diakses kapanpun dan disave diperangkat kita masing-masing dengan begitu kita tidak perlu mencari-cari buku ataupun filenya terhapus atau terlupa kita bisa mengaksesnya dan bisa membacanya kapanpun sekian dan terima kasih semoga blog saya bermanfaat bagi kalian semua.
sumber : https://onlinelearning.uhamka.ac.id/
Friday, June 18, 2021
Rangkaian Register
Register adalah rangkaian logika yang digunakan untuk menyimpan data. Dengan kata lain, register adalah rangkaian yang tersusun dari satu atau beberapa flipflop yang digabungkan menjadi satu.Flipflop disebut juga sebagai register 1 bit.Jadi untuk menyimpan 4 bit data, register harus terdiri dari 4 buah flipflop.
register digunakan sebagai tempat penyimpanan sementara sebuah grub bit data.bit-bit data ("1"atau "0") yang sedang berjalan di dalam sebuah sistem digital,kadang-kadang perlu dihentikan,di-copy,dipidahkan atau hanya di geser kekiri atau kekanan satu atau lebih posisi.
shift register akan menerima maupun mengeluarkan data dengan cara pergeseran,yaitu menggeser satu bit ke kiri atau ke kanan untuk setiap satu periode clock yang diberikan.
4 Macam shift Register
I. Parallel In Parallel Out (PIPO)
A, B, C, dan D adalah sinyal masukan. Saat clock (pemicu) diaktifkan (Logika 1), maka data yang ada akan dikeluarkan secara bersama-sama ke Q3, Q2, Q1, dan Q0. • Saat clock kembali tidak dipicu (Logika 0), maka apapun masukannnya,keluaran Q akan tetap.
II. Parallel In – Serial Out (PISO)
Gambar 6.1 menjelaskan sebagai berikut :
- Sebuah grup terdiri dari 4 buah D Flip-flop.Langkah pertama adalah membebani register di atas dengan 1-0-0-0. “Paralel Load” berarti membebani ke-empat flip-flop dalam waktu yang bersamaan. Pembebanan diberikan melalui input S D pada masing-masing flip-flop.
- Selanjutnya, clock pertama meyebabkan seluruh bit menggeser satu posisi ke kanan, karena input dari masing-masing flip-flop mendapatkan output dari flip-flop sebelumnya.
- Setiap penekanan clock menyebabkan penggeseran satu posisi ke kanan. Pada pulsa ke empat, seluruh bit sudah tergeser ke peralatan penerima data serial, sesuai dengan data awal yang diberikan. Koneksi antara keempat flip-flop di atas bisa berupa kabel transmisi serial (serial data, clock dan ground).
- Pada cara ini, data dimasukkan bit demi bit mulai dari flipflop yang paling ujung (dapat dari kiri atau dari kanan), dan digeser sampai semuanya terisi.
- Bila data digeser dari kanan kekiri disebut “Register geser kiri” (Shift Left Register), sebaliknya bila data digeser dari kiri kekanan disebut “Register geser kanan” (Shift Right Register).
- Seperti pada penyimpanan data, untuk mengeluarkan data juga dapat dilakukan dengan dua cara:
- Dikeluarkan secara sejajar (Parallel Out)
- Dikeluarkan secara seri (Serial Out)
Wednesday, June 9, 2021
Latches, Flip-Flop and Timer
Latches
Definition :
The output of a latch depends on its current inputs and on its previous output and its change of state can happen at any time when its inputs change.
· S-R (Set-Reset) Latch
· Gated S-R Latch
· Gated D Latch
S-R Latch
Active-LOW Input /S-/R Latch
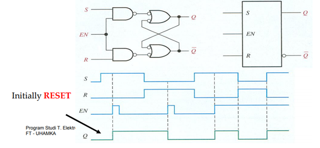
The Gated S-R Latch
A gated latch requires an Enable input, EN (G is also used to designated an enable input). The S and R inputs control the state to which the latch will go when a HIGH level is applied to the EN input. The latch will not change until EN is HIGH.
Truth Table for Gated S-R Latch
The Gated D Latch
Only has one input in addition to EN. This input is called the D (data) input. -When the D input is HIGH and the EN input is HIGH, the latch will SET. -When the D input is LOW and EN is HIGH, the latch will RESET. -Another way, the output Q follows the input D when EN is HIGH.
Edge-Triggered Flip-Flops
· Edge-triggered S-R flip-flop
· Edge-triggered D flip-flop
· Edge-triggered J-K flip-flop
The Edge-Triggered S-R Flip-Flop
The S and R inputs of the S-R flip-flop are called synchronous input because data on these inputs are transferred to the flip-flop’s output only on the triggering edge of the clock pulse.
The Edge-Triggered D
FlipFlop The D flip-flop is useful when a single data bit (1 or 0) is to be stored.
The Edge-Triggered J-K Flip-Flop
The J-K flip-flop is versatile and is widely used type of flip-flop. The difference is that he J-K flip-flop has no invalid state as does the S-R flip-flop.
Asynchronous Preset and Clear Inputs
The state of the flip-flop independent of the clock. These preset and clear inputs must both be kept HIGH for synchronous operation.
Flip-Flop Applications
· Parallel Data Storage
· Frequency Division
· Counting
Parallel Data Storage
A common requirement in digital systems is to store several bits of data from parallel lines simultaneously in a group of flipflops.
Frequency Division
2n : n is number of flip-flops. Example: 2 flip-flop will divided frequency by 4 (22)
Counting
The 555 Timer
· Monostable (one-shot) operation
· Astable operation
· Monostable (one-shot) operation
· Astable operation
Fasilitas Online Learning UHAMKA Mempermudah Mahasiswa Belajar Virtual
Online Learning UHAMKA (OLU) adalah sebuah terobosan yang krusial demi memenuhi kebutuhan mahasiswa UHAMKA dalam menuntut ilmu tanpa harus ...
-
BIG DATA & DATA SCIENCE UNTUK KEMAJUAN ASTRONOMI DAN PENATAPAN KALENDER ISLAM Big Data adalah limpahan data berukuran sangat besar, ko...
-
Register adalah rangkaian logika yang digunakan untuk menyimpan data. Dengan kata lain, register adalah rangkaian yang tersusun dari satu at...
-
Fungsi Kombinasi Logika Tujuan Bab Bedakan antara half-adder dan full-adder Gunakan dekoder segmen BCD-ke-7 dalam sistem tampilan in Terap...




















